产品应用

当前分类:

PLC控制电动机星三角启动的这张图错哪里?尴尬的菜鸟被最后一段话点醒了

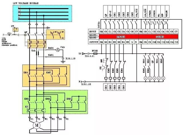
        朗风电气最近收到同僚们的一张图,这张图是用某款PLC去控制低压电动机的星三角起动。给大家看一下这张图错在哪里?



有木有蒙圈?先公布正确答案:断路器应当采用单磁脱扣器,而不应该采用热磁脱扣器!

        断路器的最基本脱扣器有四种,即热脱扣器、磁脱扣器、分励脱扣器和欠压脱扣器。这四种脱扣器的用途分别是过载保护、短路保护、远程控制和线路欠压保护。


        在GB4728《电气设备用图形符号》中,我们能看到下图:

        注意图中热过载的符号是向右方的一个开口矩形。


        那么向右方的半圆是什么意思?就是磁脱扣的符号。由此可见,图中的断路器带有热磁脱扣器。


        低压鼠笼式电动机的过载保护是由热继电器来执行的,显然断路器的热脱扣器属于多余。因此在选择断路器时,电动机回路一般选择单磁的断路器。

        上图是ABB公司的星三角起动电动机主回路元件的配置表。表中,断路器的MA字符表示单磁脱扣器。当电机功率达到一定数值后,就要采用专用的断路器,但它还是单磁的,例如ABB的T6N800 PR221-I断路器。


        接着有网友说:“双速电机的图和星三角特像但相序是一样的,我来我这个厂面试时就是因为这个卡住了,当时没接触过双速电机,当时是看出来了但解释不了,很尴尬”


        其实星三角起动方式中,到底热继电器要几个?答案是:1个。起动回路无需配套热继电器,只有运行回路才需要配套热继电器。


        不过,对于双速电机,则需要用2只热继电器。注意哦,双速电机的控制电路与星三角起动控制电路特别象。


返回列表