产品应用

当前分类:

最全的电气原理、电气接线,电气布置图,老工程师的心血啊

       朗风电气技术部在这里给大家重点介绍电气原理图:

       电气原理图目的是便于阅读和分析控制线路,应根据结构简单、层次分明清晰的原则,采用电器元件展开形式绘制。它包括所有电器元件的导电部件和接线端子,但并不按照电器元件的实际布置位置来绘制,也不反映电器元件的实际大小。

       电气原理图一般分:主电路和辅助电路(控制电路)两部分。

       主电路是电气控制线路中大电流通过的部分,包括从电源到电机之间相连的电器元件;一般由组合开关、主熔断器、接触器主触点、热继电器的热元件和电动机等组成。

       辅助电路是控制线路中除主电路以外的电路,其流过的电流比较小和辅助电路包括控制电路、照明电路、信号电路和保护电路。其中控制电路是由按钮、接触器和继电器的线圈及辅助触点、热继电器触点、保护电器触点等组成。

        电气原理图中所有电器元件都应采用国家标准中统一规定的图形符号和文字符号表示。

        电气原理图中电器元件的布局

        电气原理图中电器元件的布局,应根据便于阅读原则安排。主电路安排在图面左侧或上方,辅助电路安排在图面右侧或下方。无论主电路还是辅助电路,均按功能布置,尽可能按动作顺序从上到下,从左到右排列。

        电气原理图中,当同一电器元件的不同部件(如线圈、触点)分散在不同位置时,为了表示是同一元件,要在电器元件的不同部件处标注统一的文字符号。对于同类器件,要在其文字符号后加数字序号来区别。如两个接触器,可用KMI、KMZ文字符号区别。

        电气原理图中,所有电器的可动部分均按没有通电或没有外力作用时的状态画出。

       对于继电器、接触器的触点,按其线圈不通电时的状态画出,控制器按手柄处于零位时的状态画出;对于按钮、行程开关等触点按未受外力作用时的状态画出。

        电气原理图中,应尽量减少线条和避免线条交叉。各导线之间有电联系时,在导线交点处画实心圆点。根据图面布置需要,可以将图形符号旋转绘制,一般逆时针方向旋转90o,但文字符号不可倒置。


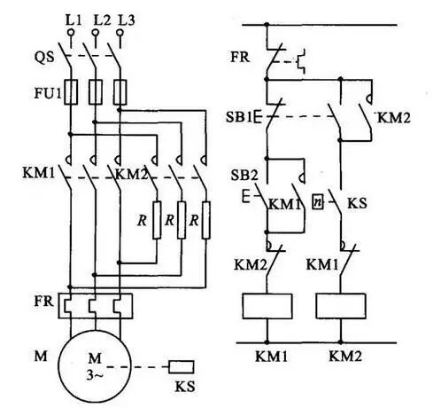
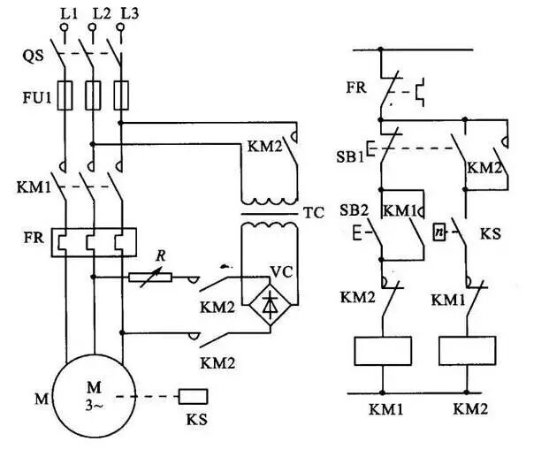
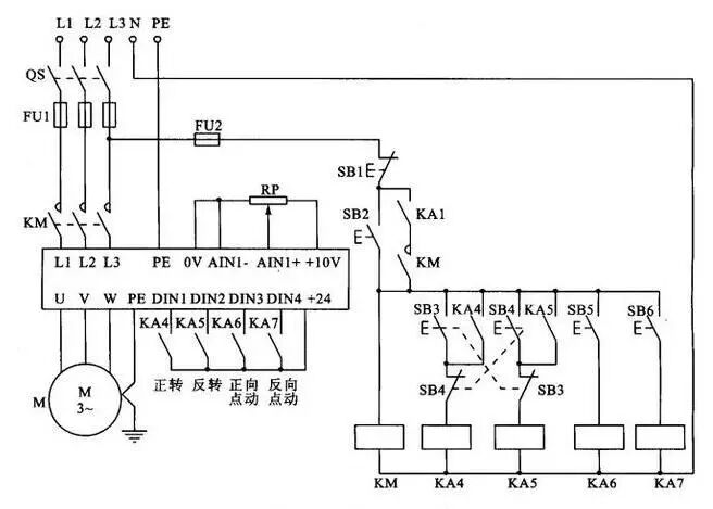
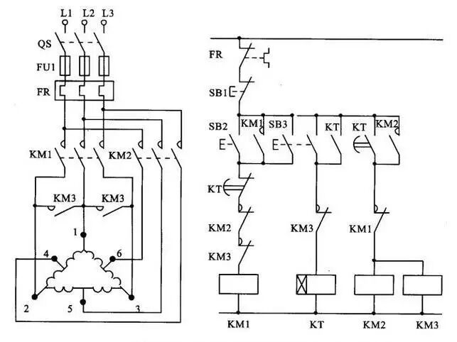
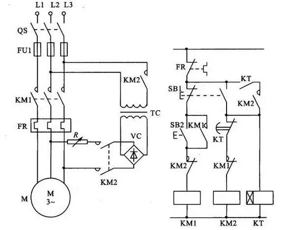
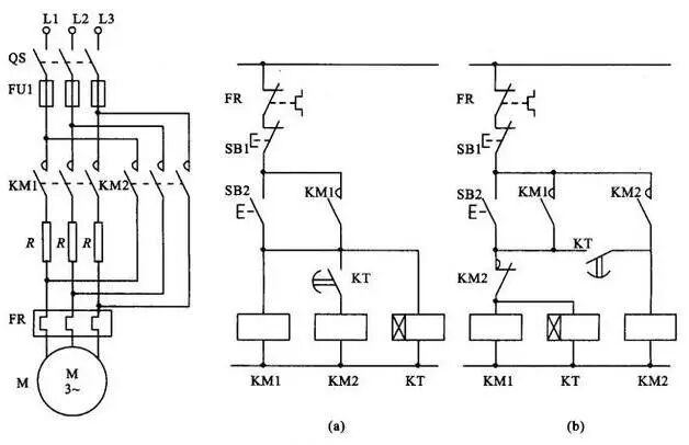
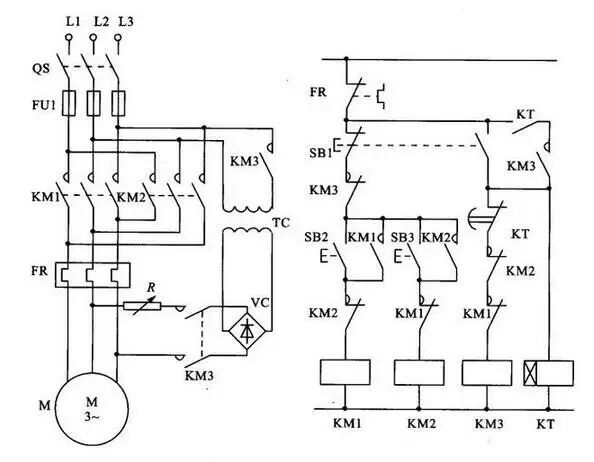
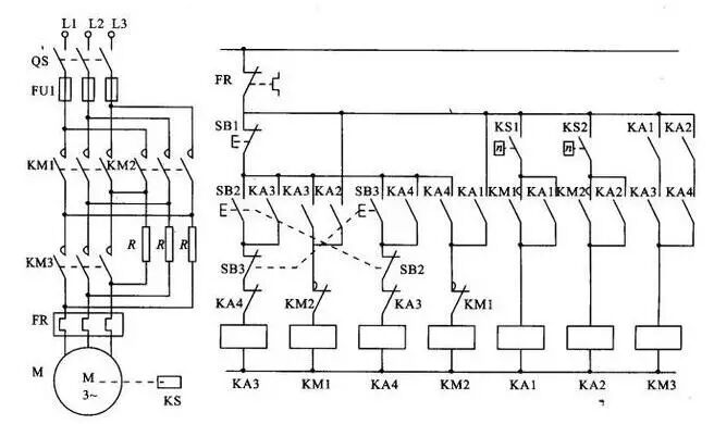
朗风电气技术部经过多年收集的各种图,赶快收藏吧,说不定哪天就能用到:


返回列表