欢迎来到淄博朗风电气有限公司官方网站! 手机版 | 设为首页 | 加入收藏 | 英文版
服务热线:400-658-1009
产品应用News
联系我们Contact us

淄博朗风电气有限公司

电话:0533-6282966 传真:0533-2857818 手机:13583358895 13589555805 地址:淄博市张店区昌国路鲁中五金机电城东区E09-11号

不要错过,36种常见照明控制电路原理图

发布者:admin   发布日期:2017/12/7   点击次数:3370

1.双荧光灯户外广告双灯管接线电路


2.荧光灯节能电子镇流器电路


3.荧光灯节能电子镇流器电路(之二)


4.探照灯、红外线等、碘钨灯、钠灯接线电路

5.紫外线杀菌灯接线电路


6.高压汞灯接线电路


7.管形氙灯接线电路


8.两个双连开关在两地控制一盏灯电路


9.用三个开关控制一盏灯电路


10.将两个功率相同的110V白炽灯接在220V电源上使用的电路


11.低压小灯泡在220V电源上使用的电路


12.用二极管延长白炽灯寿命的电路


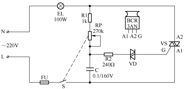
13.简单的晶闸管调光灯电路


14.用555集成电路组成的光控等电路


15.无极调光台灯电路


16.路灯光电控制电路


17.照明灯自动延时关灯电路


18.楼房走廊照明灯自动延时关灯电路


19.人体感应延时灯光控制电路


20.晶闸管自动延时照明开关电路


21.门控自动灯电路


22.广告创意16功能彩灯控制电路


23.简易光控路障灯电路


24.自动调光灯电路


25.节日彩灯——满天星霓虹灯电路


26.鸟鸣彩灯串电路


27.声控音乐彩灯电路


28.简易流动闪光灯电路


29.大功率“流水式”广告彩灯控制电路


30.氖泡微光灯电路


31.霓虹灯供电电路


32.霓虹灯闪光电路


33.应急照明灯电路


34.微光调光定时有线遥控器电路


35.电话自控照明灯电路


36.声光控自动照明灯电路